My AccountViewCheckoutItems 0   Delivery £0.00
HomeAbout UsHelp & FAQContact Us
Basket Total £0.00
Cookson Hardware
Call us for Architectural Ironmongery Supplies!

Architectural Ironmongery
Fixings & Tools

Hang It | Close It | Lock It

Click here to see our Cookson Hardware Showroom Preview video and YouTube channel.

Reisser Cutter Screws and Crate Mate Promotion.

Gatemaster Metal Gate Locks.

Bahco Hardpoint Saws.

Securefast Easy Change Digital Code Locks.

Reisser Crate Mate Storage System.

Vision Door Handles by Perry.

Sagepay


GAI Guildmark

Carlisle Brass HIN1433/13EBP 100 x 76mm Grade 13 Ball Bearing Butt Hinge Electro Brass per single

Carlisle Brass HIN1433/13EBP 100 x 76mm Grade 13 Ball Bearing Butt Hinge Electro Brass per single

Carlisle Brass Architectural Hardware
Carlisle Brass HIN1433/13EBP 100 x 76mm Grade 13 Ball Bearing Butt Hinge Electro Brass per single£5.16 Inc VAT£4.30 Ex VAT
Bulk Discounts
QtyDiscountUnit Price (Ex VAT)Unit Price (Inc VAT)
6010%3.874.64
Product Description:

Carlisle Brass HIN1433/13EBP 100mm x 76mm Grade 13 Ball Bearing Butt Hinge in Electro Brass Finish.

Product Reference: HIN1433/13EBP
 
Grade 13 Ball Bearing Hinge, Square (Max Load 120kg). The most popular type of door hinge on the market today. These are a perfect choice for when you have doors of 40mm or 44mm firecheck, internal or external. They have a CE mark and are Certifire tested. Suitable for industrial, commercial and domestic use. Ball bearing hinges have always been very popular for their smooth operation, durability, long lasting design and ability to carry heavier loads than washered hinges. For standard internal residential doors a pair of hinges is adequate; however fitting 3 hinges per door has its advantages. It will look aesthetically pleasing and from a practical viewpoint it helps spread the load evenly and will help to overcome twisting or warping. This can sometimes happen to doors over a period of time where heat and moisture are a factor.
 
We sell the HIN1433/13EBP hinges in singles, not in pairs, so you can order the exact quantity you require.
 
Size:
102mm x 76mm
 
Finish:
Electro Plated Brass
 
 
Fitting Instructions:
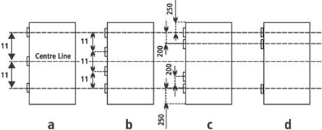
On standard door-sets it is usually recommended to use three hinges, the top and bottom hinges being fitted approximately 250mm from the door end to the hinge centre line, with the third hinge being fitted in the centre of the other two. Equally spaced hinges will minimise warping with extremes of temperature or humidity.
 
The drawings below show both standard and special fitting arrangements for hinges.
 
Hinge Layout
 
Figure a) shows a standard hinge arrangement.
 
Figures b), c) and d) show hinge positions for doors, where the hinges are operating at the near the maximum load capacity, or where door closers (particularly back-check closers) are in use and the door is in a high frequency of use environment.
 
On doors in excess of 2100mm high it is recommended that a fourth hinge is fitted, the fourth hinge should be fitted about 200mm below the top hinge.
Similar products can be found in these categories:
Hinges >Ball Bearing Hinges > Polished Brass Ball Bearing Butt Hinges
All Carlisle Brass Architectural Hardware Products

© 2025 Cookson Hardware
Powered By TABS For Tools
First for Architectural Ironmonger Fixings and Tools Twitter Facebook
LinkedIn You Tube
Pinterest Wordpress Clog
We Accept Paypal, Mastercard, Visa, Electron and Visa Debit.

Cookson Hardware, Stockport, Greater Manchester
UK Online Architectural Ironmongers


Wednesday 12th November 2025